E-JETS Training Guide app icon - Utilities app for iPhone

E-JETS Training Guide

Learn, review, and test aviation knowledge

Jorge Gonzalez Galvan

4.73913
(46 ratings)
Utilities $24.95 iOS 14.0+

iPhone Screenshots

iPad Screenshots

Description

Access detailed materials, system diagrams, and procedures based on the official EJETS Airplane Operations Manual. Search for specific topics, view checklists, and review emergency protocols.

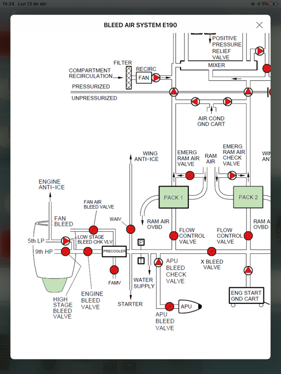
EJET Training Guide – The Ultimate Pilot Training Tool The EJET Training Guide app is a comprehensive knowledge database, built by pilots, for pilots. Whether you're beginning your E-JET training or striving to stay current, this app provides everything you need to become a better E-JET pilot — all in one powerful tool. All the information is based on the official EJETS Airplane Operations Manual (AOM), ensuring accuracy and the latest updates for every system and procedure. Key Features: --- Interactive EJET Electrical Diagram (iPad Version Only). Explore and understand the EJET electrical system like never before. This unique modeling tool enables you to manipulate switches and analyze results visually, making complex systems easier to understand and master. --- Extensive Question Banks: 1768 Questions with detailed answer explanations (E170/175/190). 650 Images for better visual understanding. 1400 References & Explanations to deepen your knowledge. --- Fast Search Engine: 510 Definitions 2000+ FAA Abbreviations 700+ Jeppesen Abbreviations 330 EICAS Messages Limitations & Memory Items for EMB-170/175 and EMB-190 (Edit – Add – Delete) AOM Full database information (Built-in Search Engine NEW VERSION 7.0) --- Virtual Interactive Panel: High-definition panels with 1,250 interactive buttons and components, featuring over 250 virtual system pages – now enhanced with full AOM descriptions in Version 7.0. Advanced System Coverage: 3600+ MCDU Screens (LOAD 2.7 / 2.8) 550+ FMS Buttons --- Unit Fast Converter: Quickly convert weight, speed, temperature, pressure, and distance. --- Dark Mode enabled.. --- TRAINING Topics Included: E-190-175 Database Full Test with 1787 Questions covering every topic. Detailed categories: Air System, Electrical, Engines, Fuel, Hydraulics, Gear & Brakes, Ice Protection, Warning, FMS, SOP, and more. --- Powerful Search Tool Quickly search through 3000+ definitions, limitations, memory items, and component images with a single tap. Perfect for instant answers during study sessions or practice tests. ------------------------------------------ Why Choose EJET Training Guide? - Thousands of questions, images, and explanations in one place. - Build confidence with realistic tests and interactive tools. - Keep your knowledge current and accurate, backed by direct AOM references. - Designed for pilots at all stages, from beginners to experienced professionals. Whether you're preparing for your initial EJET training or keeping your skills sharp, the EJET Training Guide is the most complete and reliable app available.

App information from Apple App Store. E-JETS Training Guide and related trademarks belong to Jorge Gonzalez Galvan.